암거 노면활하중 표 적용시 토피 1m 저감 관련
by ✯
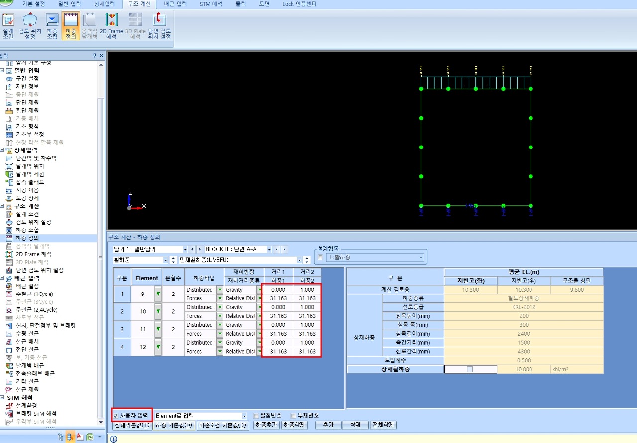
암거 설계시 상부 슬래브 노면 활하중을 산정할 때
서울지하철공사의 토피에 따른 DB-24 노면활하중표를 많이 쓴다.

그런데 지하철 설계시, 도시철도기술자료집에 따라 이 표를 적용할 때의 토피는 '실제토피에 1m를 저감시킨 토피'를 적용한다. 하지만 Aculvert에는 이를 반영할 수 있는 기능이 없다. (2022년 5월 기준)

2011년에 이 질문이 거의 처음 올라왔었고 가끔씩 같은 질문이 QNA게시판에 올라오고 있으나 현재 2022년에도 이 부분을 반영하는 옵션은 없는 상태다.
한길에서는 아래와 같이 수작업으로 해결하는 방안을 제시하고 있긴 하다.


나는 개인적으로 예전 도시철도기술자료집에 나와있었다고 하는 '활하중 적용 토피 1m저감 적용'에 대해 바람직하지 않은 방법이라고 생각한다.
왜냐하면, 정 그렇게 그 표에 해당하는 토피에서 1m를 적게 적용시키고 싶다면
표 자체를 바꾸어 제시하면 되는 것이 아닌가?
예를 들어 현재 서울지하철공사 노면활하중 표에
토피 2m : 21.0 kN/m2
라고 되어있는 것을
토피 1m : 21.0 kN/m2
로 변경하면 될 것이 아닌가.
표를 고치면 간단한 것을
뭐가 그리 자신이 없는지 기술자료집 어쩌구에다가 슬그머니 설계자들 헷갈리게 '활하중 적용토피는 고정하중 적용 토피보다 1미터 감한 값을 활하중 값으로 한다' 라는 찌질하기 짝이 없는 구차한 문구를 넣어놓았는지 이해가 가지 않는다.
지금이라도 서울지하철공사는
그놈의 도시철도기술자료집의 내용을 반영하여
노면활하중 표 자체를 변경하면 좋겠다.
'설계변수' 카테고리의 다른 글
| 철근콘크리트의 단위중량 기준 (0) | 2022.06.15 |
|---|---|
| 부력방지앵커 설계적용시 참고할 것들 (0) | 2022.06.09 |
| 관매달기 ㅁ자형 트레이 대표단면 (0) | 2022.05.12 |
| 함석판의 단위중량? (0) | 2022.05.10 |
| 경험적 설계법 등장 시기 (0) | 2021.11.14 |
블로그의 정보
구조진단노트
✯